Fog Crosscenter
  • Forsiden
  • Om
  • Webshop
  • Reservedelskatalog
  • Min konto
    Log ind Registrér
  1. Forsiden
  2. Reservedelskatalog
Viser reservedele til : Suzuki RM250K2 OFFROAD 2002
GASKET SET (MODEL K1/K2

FIG.1

CYLINDER (MODEL K2

FIG.1C

EXHAUST VALVE (MODEL K2

FIG.2A

CRANKCASE (MODEL K1/K2

FIG.3

CRANKCASE COVER- WATER PUMP (MODEL K1/K2

FIG.4

CRANKSHAFT (MODEL K1/K2

FIG.5

CARBURETOR (MODEL K2

FIG.6A

AIR CLEANER (MODEL K1/K2

FIG.7

MUFFLER

FIG.8

RADIATOR

FIG.9

CLUTCH (MODEL K1/K2

FIG.10

TRANSMISSION (MODEL K1/K2/K3

FIG.11

GEAR SHIFTING

FIG.12

KICK STARTER (MODEL K1/K2/K3/K4

FIG.13

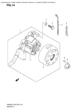
MAGNETO (MODEL K1/K2/K3/K4

FIG.14

ELECTRICAL (MODEL K1/K2/K3/K4

FIG.15

FRAME (MODEL K2/K3/K4/K5/K6

FIG.16A

STAND - FOOTREST (MODEL K1/K2

FIG.17

REAR BRAKE

FIG.18

FUEL TANK (MODEL K1/K2/K3

FIG.19

FUEL COCK

FIG.20

FRAME COVER (MODEL K2

FIG.21A

FRONT FENDER (MODEL K1/K2/K3

FIG.22

HANDLEBAR (MODEL K1/K2/K3/K4

FIG.23

HANDLE LEVER (MODEL K1/K2/K3

FIG.24

REAR FENDER (MODEL K2/K3/K4/K5/K6

FIG.25A

LABEL

FIG.26

SEAT (MODEL K1/K2/K3/K4

FIG.27

SEAT (RM250K5/K6

FIG.27A

SEAT (RM250ZK6

FIG.27B

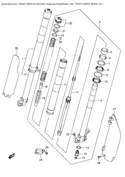
FRONT DAMPER (MODEL K2

FIG.28A

STEERING STEM (MODEL K2

FIG.29A

FRONT WHEEL (MODEL K1/K2/K3/K4

FIG.30

FRONT WHEEL (RM250K5/K6

FIG.30A

FRONT WHEEL (RM250ZK6

FIG.30B

FRONT CALIPER (MODEL K1/K2/K3/K4

FIG.31

FRONT MASTER CYLINDER (MODEL K1/K2/K3

FIG.32

REAR SWINGING ARM (MODEL K1/K2/K3

FIG.33

REAR SHOCK ABSORBER (MODEL K1/K2/K3

FIG.34

REAR CUSHION LEVER (MODEL K2/K3

FIG.35A

REAR WHEEL (MODEL K1/K2

FIG.36

REAR WHEEL (RM250K6

FIG.36D

REAR WHEEL (RM250ZK6

FIG.36E

REAR CALIPER (MODEL K1/K2/K3

FIG.37

REAR MASTER CYLINDER (MODEL K1/K2

FIG.38

OPTIONAL

FIG.39


© 2026 Fog Crosscenter | CVR: 36318759 | Alle rettigheder forbeholdes | Bemærk! Der er først indgået en bindende aftale, når vi har bekræftet din bestilling.