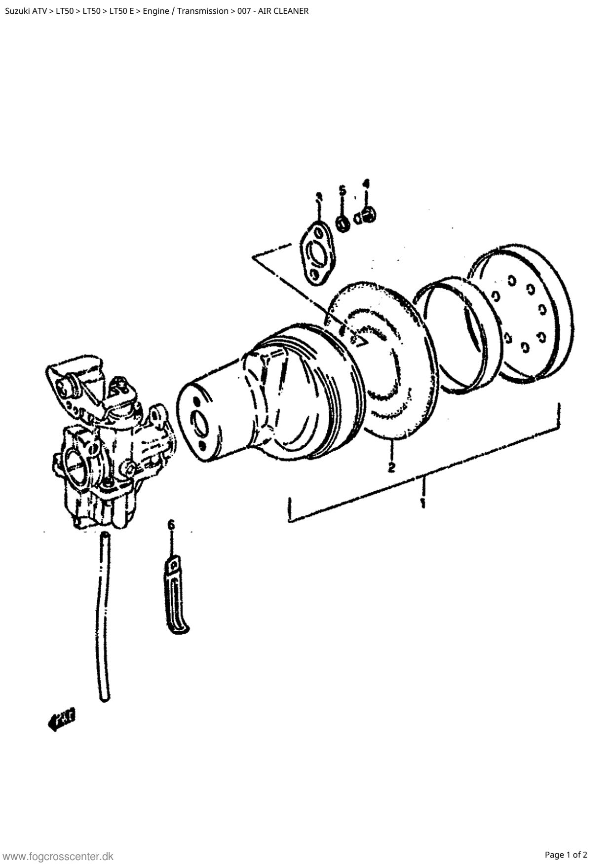
| No | Part. NO | Beskrivelse | Pris |
|---|---|---|---|
| 1 | 13700-04400-000 | CLEANER ASSY,AIR | 256,25 kr. |
| 2 | 13781-04400-000 | ELEMENT,AIR CLEANER | 46,25 kr. |
| 3 | 13883-04400-000 | PLATE,AIR CLEANER | 42,50 kr. |
| 4 | 02112-05107-000 | SCREW | 15,00 kr. |
| 5 | 08321-21057-000 | WASHER,LOCK | 12,50 kr. |
| 6 | 09404-06401-000 | CLAMP,RSVR TANK OVFL HOSE | 15,00 kr. |