Viser reservedele til : Suzuki LT50E ATV 1984
CYLINDER
FIG.1
CRANKCASE
FIG.2
OIL PUMP
FIG.3
CRANKCASE COVER
FIG.4
CRANKSHAFT
FIG.5
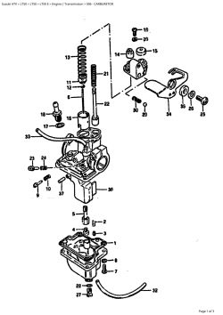
CARBURETOR
FIG.6
AIR CLEANER
FIG.7
RECOIL STARTER
FIG.8
MUFFLER
FIG.9
CLUTCH
FIG.10
TRANSMISSION
FIG.11
FUEL TANK (MODEL E)
FIG.12
ELECTRICAL
FIG.13
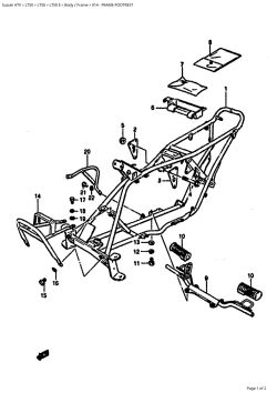
FOOTREST
FIG.14
SEAT
FIG.18
STEERING
FIG.19
TIE ROD
FIG.20
FRONT FENDER (MODEL E)
FIG.21
FRONT WHEEL
FIG.24
REAR FENDER
FIG.27
REAR WHEEL
FIG.28
OPTIONAL
FIG.29